广东康明节能空调有限公司
联 系 人:
王经理
联系电话:
13728927868
公司邮箱:
彩运彩票km23055667@163.com
公司地址:
彩运彩票深圳市龙华区龙华大道2125号卫东龙商务大厦A座1916A

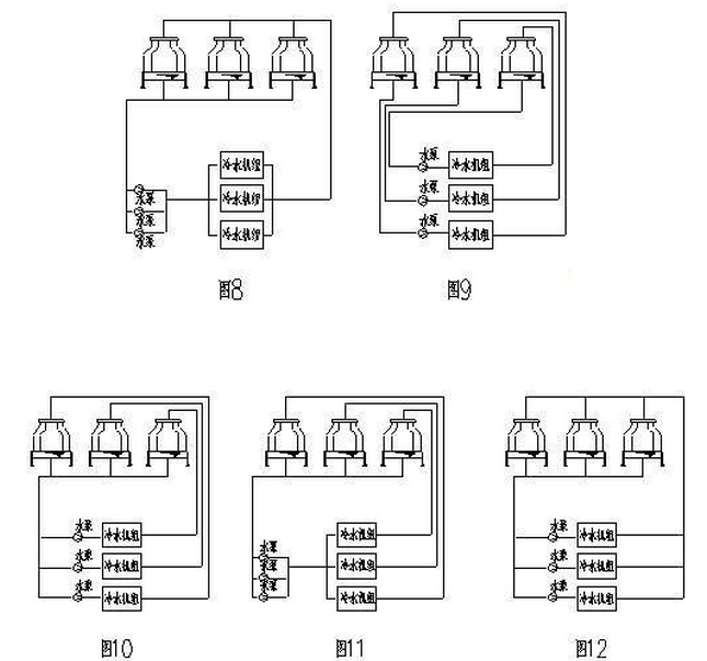
冷却塔系统规范要求主机尺寸尽量匹配,以适应负载的变化,但此时连接冷凝器、水泵和冷却塔是很麻烦的。
彩运彩票 工程中,多台冷却塔并联运行时,一般有5种配管方式,见图8-12。

彩运彩票 图9 管道布置最为复杂,占用空间大,但流量分布合理,运行可靠性高。 图8、图10、图11中的管线布置简单,但经常出现溢流补水现象。 主要原因是:
1、一般在塔的进水管彩运彩票上安装电动阀,出水管上不装。 未运行的塔的进水阀关闭,但出水管已连接。 单台机组运行时,所用冷却塔的水盘水位升高,造成溢流,而其他不运行的冷却塔的水盘不断补水。
2、各塔配水不平衡,主要是管道布置问题。 有的塔进水管阻力小,出水管阻力大; 进水多进水少,导致溢出。 相反,有些塔会不断补充水。
3、当几个不同大小的冷却塔连接在一起时,塔内水位不一样,水盘低的塔难免会溢出。
彩运彩票 基于以上问题,设计时要注意平衡问题,包括水位平衡和水量平衡。 联合取水法通常采取以下措施:
1、图8中,各冷却塔进出水管均装有电动阀,与水泵、冷却塔风机联锁。
2、图8、图10、图11中各冷却塔(包括大小不同的塔)的水位应控制在同一高度,高度差不大于30mm。 塔间安装冷却塔平衡管,加大出水管公用管段直径。
彩运彩票 3、对于图8和图11,为了平衡每台冷水机的水量,可以在每台冷水机的出水口安装一个平衡阀。 图12 流水线布局简单,系统流程易于平衡。 我们公司经常采用这种方法。
以上多台冷却塔并联使用的注意事项今天先分享到这里啦,如果伙伴们也有冷却塔相关问题或需求,可随时与广州维修冷却塔厂家联系,我们将提供免费咨询服务。
本文链接:http://xya7.com/news/203.html